Dienstleistungen: Diamantwerkzeuge
Die Schneidbeläge von Diamantwerkzeugen lassen sich durch mikroskopische und analytische Methoden beschreiben und quantifizieren. Im Brennpunkt stehen die Qualitätskontrolle und die Bindungsanalyse. Die häufigsten Fragestellungen sind:  
Charakterisierung der Diamanten und von Wolframkarbid Korngrößenanalysen, Anteile verschiedener Kristallflächen oder die Struktur und Veränderung der Diamantoberflächen nach dem Sintern sind Aufgaben für Licht- und Elektronenmikroskopie und für die Bildanalyse.

Diamantoberfläche
Bestimmung der Metallbindung Die Zusammensetzung metallgebundener Diamantwerkzeuge mit ICP-AES nach Säureaufschluss liefert hohe Genauigkeit, wenn die Metalle bekannt sind. Oft ist deshalb eine partikelgenaue Voruntersuchung mit Mikrosonde hilfreich, um die beteiligten Metalle zu ermitteln.

Kobalt (dunkel), Bronze (hell)
Bestimmung der Kunstharz-Bindung Die IR-Spektroskopie liefert wertvolle Anhaltspunkte zur Eingrenzung der Kuntharz-Bindungen. Dennoch ist es wegen fehlender Vergleichsdaten oft schwierig, Hochleistungspolymere genau zu bestimmen.

IR-Spektrum eines Polyimids
Zusammensetzung Die Anteile von Schneidkörnern, Bindung und Füllstoffen lassen sich mit Bildanalyse quantitativ bestimmen. Bei Kunstharz- gebundenen Werkzeugen werden die metallischen Diamanthüllen extra erfasst.

Diamant, Ni-Hülle, Kupfer, Silber
Pulverkorngröße, Kornform Hohe mikroskopische Vergrößerungen des Rohpulvers erlauben die Bestimmung der Korngröße und Kornform des Metallpulvers und die Analyse von Oxidbelägen. Am metallographischen Anschliff lässt sich die Korngröße des verwendeten Metallpulvers ermitteln.

Korngrenzen einer Kobalt-Bindung
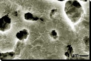
Porosität Der Porenanteil kann durch Bildanalyse am Anschliff in guter Näherung bestimmt werden. Eine qualitative Bewertung erfolgt mit vergleichenden Bruchproben am Raster-Elektronenmikroskop.

Poren einer Kobalt-Bindung
Polykristalliner Diamant Die Untersuchung des Bruchs von PKD-Schichten zeigt Form und Dichte der Kristallite und die Anhaftung der Schicht am Trägermaterial.

PKD-Schicht (Querbruch)
Untersuchungsbericht Der Untersuchungsbericht, der dem Kunden zugeht, enthält die
  • Untersuchungsmethoden
  • Untersuchungsergebnisse
  • Dokumentation der Befunde
des untersuchten Diamantwerkzeugs bzw. Schneidbelags.


 
[FELS WERKSTOFFANALYTIK]